Общее описание
Гидромодуль — это готовое решение для систем холодоснабжения, которое обеспечивает стабильную циркуляцию хладоносителя в контурах источника и потребителя холода. Благодаря поддержанию устойчивого гидравлического режима гидромодуль помогает системе работать стабильно и эффективно даже при резких изменениях тепловой нагрузки.
Принцип работы основан на поддержании требуемого расхода и давления: гидромодуль отслеживает параметры контура и регулирует циркуляцию теплоносителя, адаптируя режим работы насосного оборудования под текущие условия системы.
Гидромодуль поддерживает работу как с водой, так и с незамерзающими гликолевыми растворами, что позволяет его использовать как в системах с внутренней прокладкой трубопроводов, так и с наружной, где существует риск замерзания теплоносителя.
Вы можете купить гидромодуль БРАНТ с быстрой доставкой по России. Конфигурация установки подбирается индивидуально в зависимости от характеристик конкретного проекта.

насосную установку за 2 минуты
Особенности
- Интуитивно понятное управление. Цветная сенсорная панель с русскоязычным интерфейсом обеспечивает удобный контроль и управление всеми процессами, а графическая визуализация позволяет оператору быстро оценить состояние оборудования.
- Частотное регулирование. Применение частотных преобразователей для каждого насоса обеспечивает плавное регулирование производительности и напора, оптимизируя энергопотребление и минимизируя возникновение гидроударов.
- Фильтрация с контролем загрязнения. Фильтр, установленный перед насосом, защищает систему от загрязнений, а датчики давления до и после него позволяют оперативно оценивать степень загрязнения. Это упрощает обслуживание и повышает надёжность работы гидромодуля.
- Автоматический запуск. При восстановлении электропитания после перебоя в электроснабжении насосная установка автоматически запускается, что минимизирует время простоя.
- Высокая степень защиты и диагностики. Система записывает до 100 аварийных событий в журнал архивации аварий, что позволяет быстро идентифицировать и устранить неисправности, а протокол Modbus TCP/RTU обеспечивает легкую интеграцию с другими системами управления технологическими процессами.
- Защита от вибраций. Виброкомпенсаторы, установленные на всасывающем и напорном коллекторах, снижают передачу вибраций от насосного оборудования на трубопроводы. Это уменьшает шум, снижает нагрузку на узлы системы и увеличивая срок службы оборудования.
- Индикация работы любого насоса системы (включен / отключен);
- Индикация аварии любого насоса системы;
- Индикация текущего режима работы каждого насоса;
- Индикация текущих давлений на всасывающем и напорном коллекторе;
- Индикация наличия питающего напряжения;
- Индикация наличия сигнала «Авария общая»;
- Индикация наличия «Сухого хода» (давление воды на всасывающем коллекторе менее требуемого кавитационного запаса насосных агрегатов);
- Кнопка сброса аварийных сигналов;
- Индикация текущей частоты каждого насоса;
- Индикация внешнего запрета на включение;
- Журнал архивации аварий.
- Управление в ручном режиме насосами (включить / отключить);
- Параметрирование уставок давления в системе через меню настроек.
- Позволяет поменять уставки давлений;
- Позволяет поменять время переключения насосов;
- Включать и отключать насосы в произвольном порядке;
- Выводить насосы в ремонт;
- Составлять отчеты по работе насосной установки.


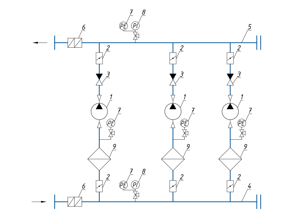
Принципиальная схема
| Поз. | Наименование | Поз. | Наименование |
|---|---|---|---|
| 1 | Насос | 6 | Виброкомпенсатор |
| 2 | Затвор дисковый | 7 | Датчик давления |
| 3 | Клапан обратный | 8 | Манометр виброустойчивый |
| 4 | Коллектор всасывающий | 9 | Фильтр сетчатый |
| 5 | Коллектор напорный | — | Станция управления насосами |
Преимущества

Индивидуальный подбор
Комплектация под параметры вашей системы: рабочая точка, габариты помещения, требования к составу оборудования.

Готовность к монтажу
Полностью собранные и проверенные установки для быстрого ввода в эксплуатацию.

Производство в России
Разработка с учетом российских нормативов, собственное производство с полным контролем качества.

Комплексная поддержка
Помощь на всех этапах: от подбора оборудования до сервисного обслуживания.
Панель управления
Функциональные возможности панели в части индикации:
Функциональные возможности панели в части управления:
Система диспетчеризации
Система диспетчеризации предназначена для использования диспетчерским и эксплуатационным персоналом. Предоставляет все возможности мониторинга и дистанционного управления, такие как:
Нужен гидромодуль под ваш объект? Заполните опросный лист или обратитесь в отдел продаж.